专注您所关注

 

R3是定为电子推出的一款ARM+AD9371+FPGA架构,高性能宽频段的软件无线电平台。

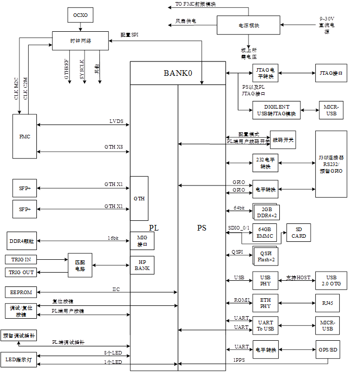
该平台采用AD9371作为射频通道,收发通道含独立1~550MHz变频支路,设备支持频段1MHz~6000MHz,带宽8MHz~100MHz,最大发射功率30dB,接收机灵敏度可达-130dBm,支持幅度和相位一致性校准。信号处理单元采用XCZU9EG,对外提供2路光口,1路网口,支持外供参考时钟,可应用于无线通信原型验证平台,宽带自组网终端,复杂电磁环境模拟器及多通道采集存储回放等领域。

  • R3关键指标

    (1) 搭载四核 ARM Cortex-A53处理器,内嵌linux操作系统;

    (2) 射频通道 2路发射2路接收;

    (3) 覆盖频率 1MHz~6GHz;

    (4) 采集带宽100MHz,发射带宽250MHz;

    (5) 最大发射功率 30dBm;

    (6) 接收端灵敏度可到-110dBm,支持90dB范围增益可调;

    (7) 接收端增加模拟声表滤波器,支持500KHz、6MHz、20MHz、100MHz四档带宽可选;

    (8) 提供IQ数据流API函数,支持用户实时获取IQ数据;

    (9) 支持矢量信号发生,用户可加载IQ数据文件,发射各种标准调制信号和用户自定义数据文件。