专注您所关注

 

FMC203E是定为电子推出的一款基于单宽度VITA57.1 FMC架构,高性能宽频段的射频子卡,该板卡具有小体积、低功耗、宽频段、多通道等诸多优点。通过FMC203E与定为电子的uSDR系列数字板卡配套可快速搭建软件无线电平台。

 

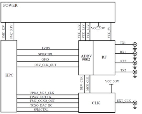
在性能上,FMC203E以ADI公司的RF捷变收发器ADRV9002作为处理核心,提供2路接收2路发射,射频工作频率范围为30 MHz至6000 MHz,涵盖UHF、VHF、工业、科研和医疗(ISM)频段以及窄带(kHz)和宽带工作频率最高可达40 MHz的蜂窝频段。ADRV9002支持TDD和FDD操作。发射链路添加射频放大器提高线性度,接收链路添加低噪声放大器降低输入噪声,提高接收机的灵敏度。提供外供参考时钟输入功能。

 

在配置方面,FMC203E通过基带板ZYNQ管理硬件配置,我们提供演示、使用Demo以及对应配置的API函数,用户可以通过调用对应API以完成射频参数配置,操作简单、方便有效。除此之外,我们还提供PC端的配置软件,可以通过图形化的软件点击配置你所需要的射频参数。

 

在应用场景方面,FMC203E支持多板同步功能,从而使得FMC203E可以用于5G MIMO原型、相控阵雷达、信道模拟器、多通道同步采集存储等场景。

 

  • FMC203E是一种支持双通道2发2收的射频FMC板卡,其主要特征包括:

    (1) 双通道2发2收TDD射频收发FMC板卡;

    (2) 频率范围为 30 MHz 至 6000 MHz;

    (3) 收发带宽为 12 kHz 至 40 MHz;

    (4) LVDS 和 CMOS 同步串行数据接口选项;

    (5) 低功耗监控器和休眠模式;

    (6) 支持多芯片同步功能;

    (7) 支持快速跳频;

    (8) 支持动态配置文件切换,可实现动态数据速率和采样率;

    (9) 完全集成的 DPD,适用于窄带和宽带波形;

    (10) 发射功率最大10dBm(典型值);

    (11) 支持外部参考时钟输入,板载时钟软件可配置;

    (12) 支持同步采样,同步触发信号;

    (13) 兼容符合VITA57.1 FMC标准的HPC的插槽;

    (14) 兼容DingWaveU4、U5以及带有ZYNQ的标准FMC基带板。

     

    硬件指标: